
歡迎來電咨詢,手機(jī)號(hào)微信同步

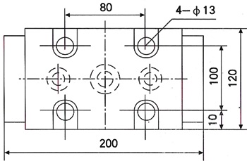
FJL-B10H 流量:40L/min 壓力 31.5MPa
FJL-B15H 流量:63L/min 壓力 31.5MPa
FJL-B20H 流量:100L/min 壓力 31.5MPa
分流集流閥FJL-B10H 15H 板式連接


分流集流閥FJL-B20H 板式連接



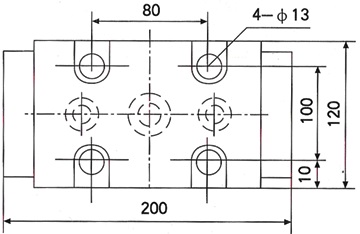
FJL-B10H 流量:40L/min 壓力 31.5MPa
FJL-B15H 流量:63L/min 壓力 31.5MPa
FJL-B20H 流量:100L/min 壓力 31.5MPa
分流集流閥FJL-B10H 15H 板式連接


分流集流閥FJL-B20H 板式連接


